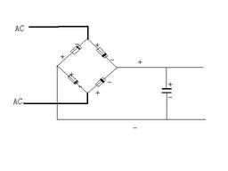
想问一下,如何判断整流桥的正负极?
整流桥错误的测试方法:用电表的电阻档来测二极管的通断,电表的红表笔是负电压,黑表笔是正电压,这种情况下会把测试结果为:二极管的正极是负的而负极是正的。 整流桥正确判断二极管的正负方法:有黑环一端为负,或引线短的一端为负。 整流桥要想进一步测试正负极的话,可以接上电源用电压档来测定整流桥输出的正负。 整流电路中,二极管的负极输出正电压。 参考资料来源于:www.szchenda.com整流桥正负极的判定
整流桥错误的测试方法:用电表的电阻档来测二极管的通断,电表的红表笔是负电压,黑表笔是正电压,这种情况下会把测试结果为:二极管的正极是负的而负极是正的。

整流桥正确判断二极管的正负方法:有黑环一端为负,或引线短的一端为负。
整流桥要想进一步测试正负极的话,可以接上电源用电压档来测定整流桥输出的正负。
整流电路中,二极管的负极输出正电压。
回答整流桥输出右端的正负极性,为什么?
用电表的电阻档来测二极管的通断,电表的红表笔是负电压,黑表笔是正电压,这种情况下会把测试结果为:二极管的正极是负的而负极是正的。
整流桥正确判断二极管的正负方法:有黑环一端为负,或引线短的一端为负。
整流桥由控制器的控制角控制, 当控制角为0°~90°时, 整流桥处于整流状态, 输出电压的平均值为正;当控制角为90°~180°-γ时 (γ为换弧角) ,整流桥处于逆变状态,输出电压的平均值为负。

扩展资料:
由于一般整流桥应用时, 常在其负载端接有平波电抗器,故可将其负载视为恒流源。另外根据EMI测量标准,为减小电网阻抗对测量结果的影响,需要在整流桥的电网输入端接入线性阻抗稳定网络 。
测试所用的LISN的结构其主要作用是:减小电网阻抗对测量结果的影响;隔离来自电网端的干扰。由于LISN的隔离作用,可以把电网端视作一仅有基波电势和内阻抗的电源。
